新品推荐丨DEGSON欧标小直流充电枪,轻巧上线!

欧标小直流充电枪——闪!亮!登!场!
小小身材,一手搞定
20A、40A、65A、80A
直流电流规格任你pick
TUV、CB、CE、UKCA认证齐全
端子可换,运维成本“打骨折”
钱包不再“破防”
想商用?想家用?想随时补能?
一体外壳,防水防尘,颜值在线!
-30 ℃ 到 50 ℃,天南地北都能“上岗”
枪已上膛,电已就位——
让电动汽车“充电像开挂,续航不卡带”
快来体验“小枪一出手,电量说有就有”的快乐吧~
欧标小直流充电枪

通过IEC62196类车辆插座进行直流充电,提供20A、40A、65A、80A的直流电流规格。无论是商用场景的便捷补能、工业场景的稳定供电,还是民用场景的日常充电,都能为您带来高性价比的优质选择。
产品特点

一体化外形
外壳一体成型,外形小巧简洁,整体重量显著减轻,插拔便捷。

产品升级
对比一代产品,同步达成 “控温升、减线径”,充电效能全程在线,产品价格更具吸引力。

可替换端子
采用可更换端子设计,降低运维成本。

高防护等级
单枪防护等级高达IP67,适应各种恶劣天气状况,有效防尘防水,实时保障充电安全。

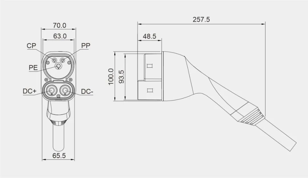
尺寸信息


产品参数
|
产品名称 |
欧标小直流充电枪 |
|
额定电压 |
1000V |
|
额定电流 |
20A/40A/65A/80A |
|
温度传感器 |
2*PT1000 |
|
防护等级 |
IP67(单枪)/IP55(插合) |
|
机械寿命 |
>10000次 |
|
插拔力 |
<100N |
|
环境温度 (运行) |
-30℃~+50℃ |
|
阻燃等级 |
UL94 V-0 |
|
ROHS |
符合 |
产品应用

可适用于家庭场景,社区充电站,商业场所,工业园区等。

